- 产品概述
- 技术参数
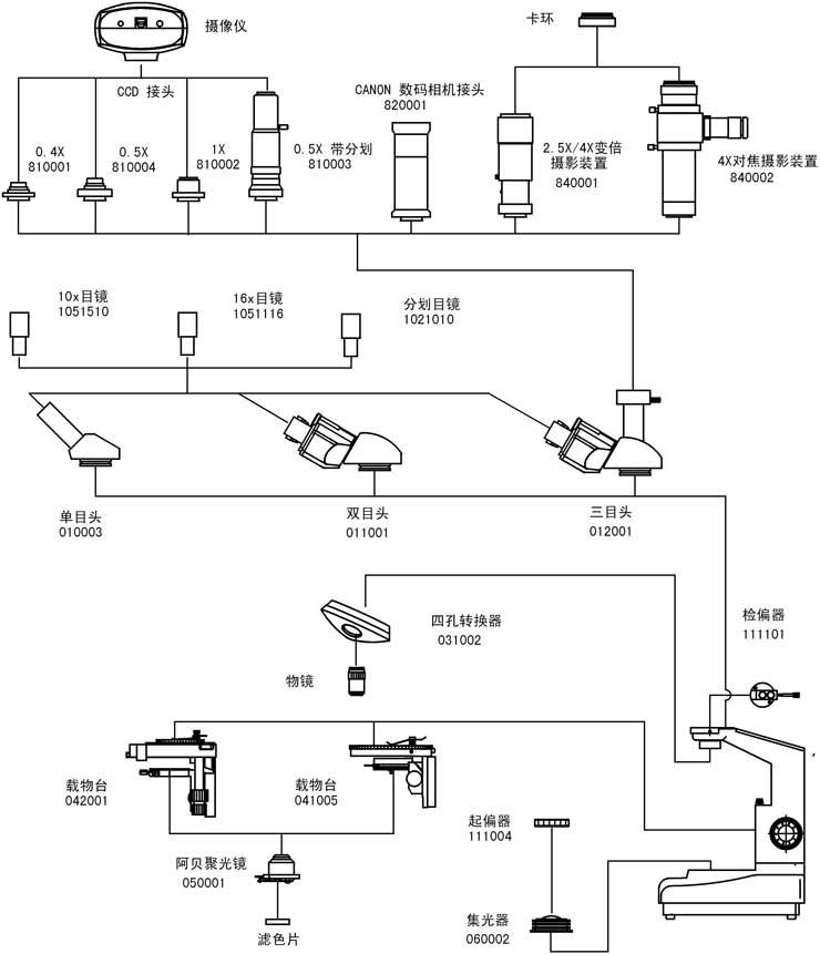
- 仪器图解
- 成功案例
双目偏光显微镜是利用光的偏振特性对具有双折射性物质进行研究鉴定的常用仪器。双目偏光显微镜用途较为广泛,如观察齿、骨、头发、及活细胞的结晶内含物、动物肌肉、植物纤维的结构细节,分析变性过程。也可以观察无机化学中各种盐类的结晶状况在自然光看不到的精细结构。
性能特点
▲ 配置大视野目镜和消色差物镜,视场大而且清晰;
▲ 粗微动同轴调焦机构,粗动松紧可调,带限位锁紧装置,微动格值:2μm;
▲ 6V20W卤素灯透射照明,亮度可调;
标准配置
型号 | WMP-6102 双目偏光显微镜 |
目镜 | 大视野 WF10X(Φ18mm) |
物镜 | 消色差物镜 4X/0.10 |
消色差物镜 10X/0.25 | |
消色差物镜 40X/0.65 (弹簧) | |
消色差物镜 100X/1.25(弹簧,油) | |
目镜筒 | 双目镜,倾斜30˚ |
检偏器 | 推拉式 Sliding |
调焦机构 | 粗微动同轴调焦, 微动格值:2μm,带锁紧和限位装置 |
转换器 | 四孔(内向式滚珠内定位) |
载物台 | 旋转式载物台(直径:Φ120mm) |
阿贝聚光镜 | NA.1.25 可上下升降 |
滤色片 | 蓝滤色片 |
磨砂玻璃 | |
起偏器 | 可360˚旋转 |
集光器 | 卤素灯照明适用 |
照明系统 | 6V 20W 卤素灯,亮度可调 |


- 关于我们
- 公司简介
关注微信
扫描二维码,关注
正晞仪器设备官方微信


