- 产品概述
- 技术参数
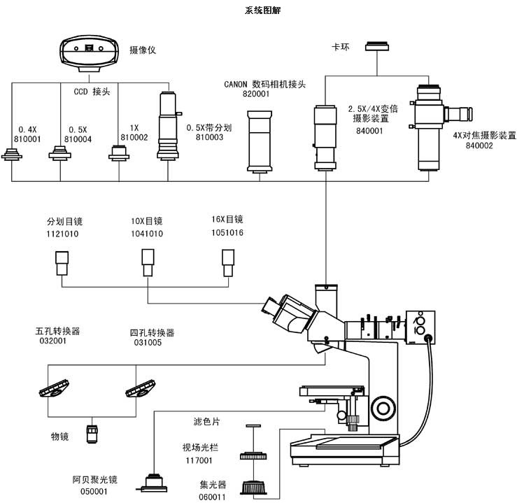
- 仪器图解
- 成功案例
一、用途
ZXGP-300系列透反射(双色)正置金相显微镜配置透反射照明系统,长距平场消色差物镜(无盖玻片)、大视野
目镜和内置偏光观 察装置,光学系统成像清晰,视野广阔,适用于工矿企业,高等院校及科研等机构作材料内部组织结构观察。
二.性能特点
▲ 配置大视野目镜和长距平场消色差物镜(无盖玻片),视场大而清晰。
▲ 粗微动同轴调焦机构,粗动松紧可调,带锁紧和限位装置,微动格值:2μm。
▲ 透反射照明系统可同时照明物体,某些物体可以看到其特殊效果。
▲ 6V20W卤素灯,亮度可调。
▲ 三目镜筒,可切换正常观察与偏光观察,可进行90%透光摄影





技术标准
标准配置 | |
目镜 | 大视野 WF10X(Φ18mm) |
物镜 | 长距平场消色差物镜(无盖玻片)PL 5X/0.12 |
长距平场消色差物镜(无盖玻片)PL L10X/0.25 | |
长距平场消色差物镜(无盖玻片)PL L20X/0.40 | |
长距平场消色差物镜(无盖玻片)PL L40X/0.60 | |
长距平场消色差物镜(无盖玻片)PL L60X/0.75 (弹簧) | |
目镜筒 | 三目镜,倾斜30˚,(内置检偏振片,可进行切换) |
落射照明系统 | 6V 20W卤素灯,亮度可调 |
落射照明器带视场光栏、孔径光栏、起偏振片,(黄,蓝,绿)滤色片和磨砂玻璃 | |
调焦机构 | 粗微动同轴调焦, 微动格值:2μm,粗动松紧可调,带锁紧和限位装置 |
转换器 | 四孔(内向式滚珠内定位) |
载物台 | 双层机械移动式(尺寸:185mmX140mm,移动范围:75mmX50mm) |
透射照明系统 | 阿贝聚光镜 NA.1.25 可上下升降 |
蓝滤色片和磨砂玻璃 | |
集光器, 卤素灯适用 | |
6V 20W 卤素灯,亮度可调 | |
防霉 | 防霉系统 |
系统组成 | 电脑型(ZXGP-300C) 1.硅片显微镜 2.适配镜 3.摄像器(CCD) 4.计算机(选购) |
数码型(ZXGP-300D) 1.硅片显微镜 2、适配镜 3、数码相机(选购) | |
选购件 | |
目镜 | 大视野 WF16X(Φ11mm) |
分划 10X(Φ18mm) 格值0.1mm/格 | |
物镜 | 长距平场消色差物镜(无盖玻片) PL L 50X/0.70 |
长距平场消色差物镜(无盖玻片) PL L 80X/0.80 | |
滤色片 | 绿滤色片 |
黄滤色片 | |
CCD接头 | 0.4X |
0.5X | |
1X | |
0.5X带分划尺,格值0.1mm/格 | |
摄像仪 | DV-1带USB和Video输出 |
DV-2带USB输出 | |
DV-3带Video输出 | |
摄影装置 | 2.5X/4X变倍摄影装置带10X取景目镜 |
4X对焦摄影装置 | |
MD卡环 | |
PK卡环 | |
数码相机接头 | CANON(A610,A620,A630,A640) |
分析软件 | 二维图像测量分析软件 |


- 关于我们
- 公司简介
关注微信
扫描二维码,关注
正晞仪器设备官方微信


