- 产品概述
- 技术参数
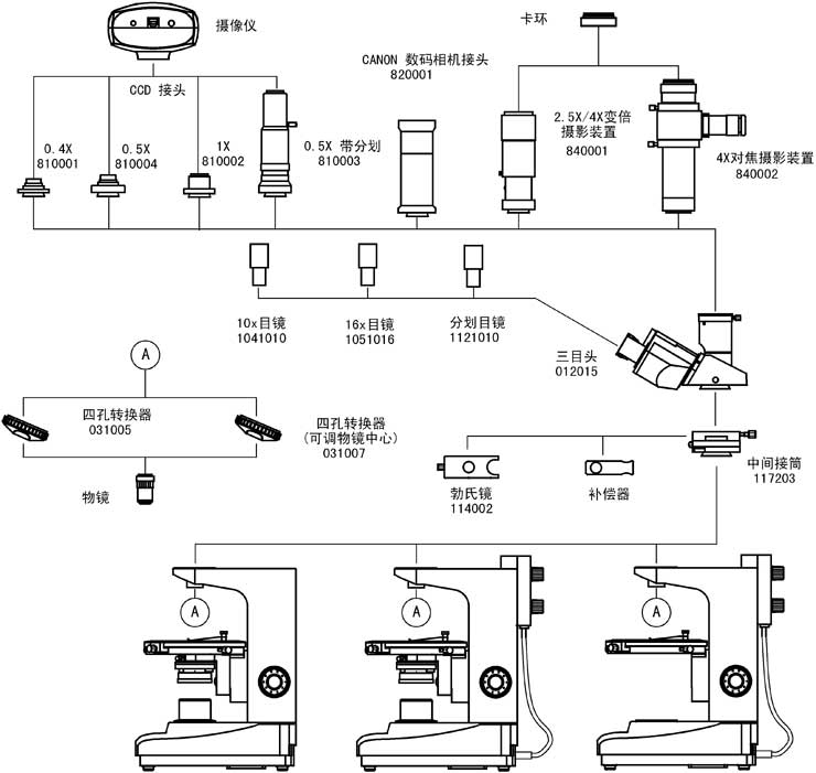
- 仪器图解
- 成功案例
一. 用途
透反射偏光显微镜主要用于鉴别具有双折射特性的物质,地质学和机械、冶金部门用来研究结晶、矿物、岩石和金相组织的重要工具。透反射偏光显微镜配置无应力平场消色差物镜与大视野目镜,高精度偏光载物台,优良的偏振观察附件等。可在透射偏光、反射偏光与透/反射偏光状态下获得良好的显微图像,仪器机械性能优良,观察舒适,操作方便,是厂矿企业、科研院所进行检测、研究与教学的理想仪器。
二. 系统简介
透反射偏光显微镜有图像输出系统。可将传统的光学显微镜与电脑计算机(数码相机)通过光电转换有机的结合在一起,不仅可以在目镜上作显微观察,还能在电脑计算机(数码相机)显示屏幕上观察实时动态图像,并能将所需要的图片进行编辑、保存和打印。电脑型透反射偏光显微镜(WMP-6309C型),通过配置专业工业相机,可以于电脑连接,配合偏光二维测量软件可做岩相分析,岩相测量,可打印报告,保存报告。具有丰富的拓展功能。WMP-6309型透反射偏光显微镜为不方便接入电脑的使用者设置了数码型岩相显微镜(WMP-6309D型)。通过配置数码相机,单反相机来获取金相组织照片,后期再通过导入电脑做岩相分析报告。

性能特点
▲ 可选透射照明,落射照明或者透反射照明。
▲ 配置无应力平场物镜(中心可调)与大视野目镜。
▲ 粗微动同轴调焦机构,粗动松紧可调,带限位锁紧装置,微动格值: 2μm。
▲ 旋转式载物台,360°等分刻度,游标格值6',中心可调,带锁紧装置,工作台垂直有效行程可达 30mm。
▲ 宽电压电源(85-265V 47-60HZ). 6V20W卤素灯照明,亮度可调。




- 关于我们
- 公司简介
关注微信
扫描二维码,关注
正晞仪器设备官方微信


