- 产品概述
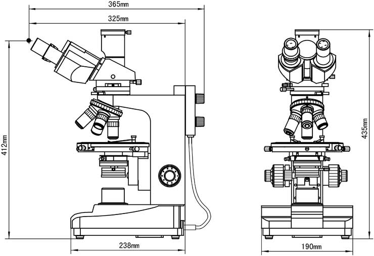
- 技术参数
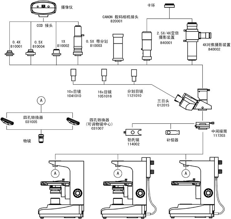
- 仪器图解
- 成功案例
热台偏光显微镜主要用于鉴别具有双折射特性的物质、地质学和机械、冶金部门用来研究结晶、矿物、岩石和金相组织的重要工具。热台偏光显微镜配置无应力平场消色差物镜与大视野目镜,高精度偏光载物台,优良的偏振观察附件等。热台偏光显微镜可在透射偏光状态下获得良好的显微图像,仪器机械性能优良,观察舒适,操作方便,是厂矿企业、科研院所进行检测、研究与教学的理想仪器。
热台偏光显微镜的性能特点
▲ 可选透射照明,落射照明或者透反射照明。
▲ 配置无应力平场物镜(中心可调)与大视野目镜。
▲ 粗微动同轴调焦机构,粗动松紧可调,带限位锁紧装置,微动格值: 2μm。
▲ 旋转式载物台,360°等分刻度,游标格值6',中心可调,带锁紧装置,工作台垂直有效行程可达 30mm。
▲ 宽电压电源(85-265V 47-60HZ). 6V20W卤素灯照明,亮度可调。


标准配置
型号) | ||
透射照明 | ||
集光器 | ||
光源卤素灯,亮度可调阿贝聚光镜 | ||
目镜筒三目镜,倾斜30˚,可进行100%透光摄影 | ||
推入式勃氏镜,中心可调 | ||
石英锲补偿器转换器 四孔(外向式滚珠内定位) | ||
载物台旋转式载物台,直径:Φ150mm,360°等分刻度,游标格值6',中心可调,带锁紧装置 | ||
系统组成电脑型(WMP-6302C):1.偏光显微镜 2.适配镜 3.摄像器(CCD) 4.计算机(选购) 数码型(WMP-6302D): 1.偏光显微镜 2.适配镜 3.数码相机(选购) 名称类别/技术参数转换器四孔(外向式滚珠内定位),可调节物镜中心CCD接头0.5X0.5X摄像仪带USB和Video输出带USB输出带Video输出2.5X/4X4X对焦摄影装置PK卡环CANON (A610,A620,A630,A640)偏光图像二维测量软件 | ||


- 关于我们
- 公司简介
关注微信
扫描二维码,关注
正晞仪器设备官方微信


